阀门种类

成立2012年,专注于阀门定制生产批发,服务案例不计其数,
客户至上、诚意为先,用技术和实力说话。

进口针型阀

  • 进口二阀组
产品信息
  • 产品名称:进口二阀组
  • 产品型号:
  • 产品压力:0.1-40Mpa
  • 产品材质:A105、304、304L、316、316L、321;
  • 产品口径:DN10-DN15
  • 产品温度:
  • 联系电话:15112496788(微信同号)
  • 联系邮箱:huang@usmiller.com
  • 客服Q Q: 916223289
  • 立即咨询

进口二阀组是一种常见的流体控制设备,它由两个阀门组成,其中一个是控制流体进入管道的进口阀门,另一个是控制流体离开管道的出口阀门。二阀组通常用于控制流体的流量、压力、温度等参数,是许多工业和民用领域中不可或缺的设备。

进口二阀组的主要优点是结构简单、易于安装和维护,可以在较小的空间内实现较大的控制范围。此外,由于其结构简单,因此成本相对较低,适用于大量生产和广泛应用。

在实际应用中,进口二阀组有许多不同的类型和应用场景,例如用于石油、天然气、化工、水处理等行业中的流量控制,也可以用于家庭、商业建筑中的暖通空调、供暖等系统中的温度和压力控制。此外,进口二阀组还可以与传感器、执行器等设备组合使用,形成更加智能化和自动化的控制系统,以满足不同的应用需求。


进口二阀组结构

进口二阀组结构特点

进口二阀组由两个阀门组成,一个是进口阀门,一个是出口阀门。进口阀门和出口阀门之间的管道构成了二阀组的主体结构,其主要结构特点如下:

  1. 管道结构:进口二阀组的管道结构通常为直通式,即进口阀门和出口阀门之间的管道呈直线型,通过旋转进口阀门和出口阀门来实现管道的通断。

  2. 阀门类型:进口阀门和出口阀门通常采用球阀、蝶阀、截止阀、调节阀等类型的阀门,根据实际需求选择不同类型的阀门,以满足流量、压力、温度等参数的控制要求。

  3. 材料选择:进口二阀组的材料选择需要考虑到管道的介质、压力和温度等参数,通常采用碳钢、不锈钢、合金钢、铜等材料,以确保管道的耐腐蚀性和耐压性。

  4. 结构紧凑:进口二阀组的结构通常比较紧凑,占用空间相对较小,适合安装在较狭小的空间中,如管道侧面或角落处,使得管道的控制更加灵活和便捷。

  5. 操作简单:进口进口二阀组的操作相对简单,通过旋转进口阀门和出口阀门,可以实现管道的开启、关闭和调节,操作方便,控制精度高。

综上所述,二阀组的主要结构特点是管道结构简单、阀门类型多样、材料选择严格、结构紧凑、操作简单,适用于许多工业和民用领域中的流体控制需求。

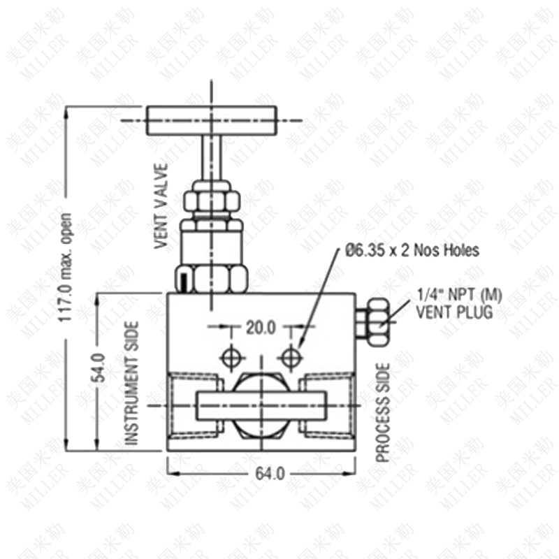
进口二阀组尺寸

进口二阀组应用

进口二阀组在工业和民用领域中有广泛的应用,主要用于控制流体的流量、压力、温度等参数,下面是二阀组的一些应用场景:

  1. 石油、天然气工业:进口二阀组用于石油、天然气等行业中的流量控制和压力调节,常见的应用包括井口、输送管道和储罐等设备中的流量和压力控制。

  2. 化工工业:进口二阀组在化工工业中的应用非常广泛,包括流量控制、压力调节、温度控制等方面,常用于反应釜、蒸馏塔、加热炉等设备中。

  3. 暖通空调系统:进口二阀组在暖通空调系统中的应用包括水路控制、温度调节、压力控制等方面,可以控制水流量、水温和水压,保证系统正常运行。

  4. 供暖系统:进口二阀组在供暖系统中的应用主要是用于调节水流量和温度,控制供暖设备的工作状态,以保证供暖系统的正常运行。

  5. 食品和制药工业:进口二阀组在食品和制药工业中的应用主要是用于流量控制和压力调节,保证生产过程的质量和稳定性。

除了以上几个领域,进口二阀组还可以应用于船舶、火箭、机器人等领域,根据不同的应用场景和要求,进口二阀组的类型和结构也会有所差异。总之,进口二阀组作为一种常用的流体控制设备,具有广泛的应用前景和市场需求。


美国Miller阀门是一家国际性的专业阀门公司,隶属于美国米勒阀门公司(USA Miller VALVE GATE INC)旗下企业总部位于美国特拉华州,致力于生产、设计研发高品质通用阀门和控制阀门。MILLER阀门现采用

世界先进的加工设备、生产工艺,检测仪器,经过严格的质量检验,所生产的产品达到领先水平。

美国米勒进口针型阀广泛应用于自动化生产、工业控制、液压和气动控制系统等领域。美国米勒拥有多年的研发和制造经验,提供各种不同型号、规格和材料的进口针型阀产品,涵盖了广泛的应用场景和行业。


作者: 美国Miller米勒官网 时间:2023-02-20 11:32:19 阅读:60

上一篇:进口波纹管针型阀 下一篇:进口三阀组